百度正用谷歌AlphaGo,解决一个比围棋更难的问题
2019-03-06 16:54:18AI云资讯997

9102年,人类依然不断回想起围棋技艺被AlphaGo所碾压的恐怖。
却也有不以为然的声音:只会下棋的AI,再厉害也还是个运动员啊!
百度说:你们错了,它还是一位数学家。
百度硅谷AI实验室的同学们,就在用这个出自谷歌DeepMind的围棋算法,解决一个比围棋复杂得多的数学问题。
为了重新训练这个算法,百度用了300张1080Ti和2080Ti显卡。
他们解决的问题,叫做“图着色问题”,又叫着色问题,属于前些天让中国奥数队全军覆没的图论。它是最著名的NP-完全问题之一。
简单来说,就是用尽可能少的颜色,给一张图的顶点上色,保证相邻顶点的颜色不重复。
10个顶点的简单版是这样的:

而复杂版……只要顶点足够多,分分钟让人类数学家无从下手,如果有512个顶点,这个问题的复杂度会比围棋高出几百个数量级。
在这个数学问题上,运动员AlphaGo表现优秀,最高能将一张图所用的颜色减少10%。
从四色定理谈起
就算你对“图论”、“着色问题”这些词有点陌生,应该也听说过“四色定理”。这是第一个由计算辅助证明的数学定理。
四色定理告诉我们,只需4种颜色我们就可以让地图上所有相邻国家的颜色互不相同。
这其实就是一个平面上的着色问题,国家可以简化为顶点,国与国之间的相邻关系可以简化为连接顶点之间的线。对于平面图而言,颜色数k最小等于几?
历史上数学家已经手工证明了五色定理(k=5),但是因为运算量太大,在将颜色数量进一步减少到四种(k=4)时却迟迟无法解决,最终在70年代靠计算机才完成证明。

一般来说,我们可以用贪心算法解决这个问题,其基本思路是:先尝试用一种颜色给尽可能多的点上色,当上一步完成后,再用第二种尽可能多地给其他点上色,然后再加入第三种、第四种等等,直到把整张图填满。
或者是用深度优先搜索算法,先一步步给图像着色,若遇到相邻点颜色相同就回溯,再换一种着色方法,直到问题解决为止。
比围棋世界更复杂
如果图的顶点数比较少,以上两种方法还可行,但随着顶点数的增加,以上两种算法的局限性就暴露了出来。

用贪心算法着色和最优解的对比
贪心算法会陷入局部最优解,而深度优先搜索算法的运算量会越来越大,以至于完全不可行。
图着色问题的复杂度随着顶点数增加而急剧增长。当顶点数达到512时,其可能得状态数就达到达到了10^790,远超围棋的10^460,当然更是比全宇宙的粒子数10^80多得多。
即使中等大小图的状态数也远超围棋,如果顶点数量达到1000万,复杂度会大得惊人,相当于在1后面有4583万个0。
另外着色问题还有另一个复杂维度,围棋算法可以反复在同一张相同棋盘上进行测试,而图即使顶点相同,因为连接各点的边不相同,结构也不完全相同。
从围棋中获得启发
这些更复杂的问题对算法的训练和推理提出了极大的挑战。而AlphaGo曾在解决这类复杂问题上取得了很大的成功,研究人员也很自然的想到了用它来解决图的着色问题。
对于这类问题,我们一般采用启发式搜索算法(heuristic search),就是在状态空间中的搜索对每一个搜索的位置进行评估,得到最好的位置,再从这个位置进行搜索直到达到目标。
AlphaGo使用的蒙特卡洛树搜索(MCTS)用的就是一种启发式搜索算法。
蒙特卡洛树搜索算法示意图:选择路径;扩展树;由神经网络执行模拟;将最终结果反向传播,更新路径节点。
AlphaGo下棋通过正是这种方法,计算当前棋盘上获胜概率最大的点,直到赢棋为止。
图着色问题与围棋也有类似之处,它的每一步棋就是给接下来的点填上颜色。它和围棋和象棋一样都可以用强化学习来解决问题,差别则是奖励。
在图着色问题中,最明显的奖励选择是颜色种类,使用的种类越少越好。而在围棋和象棋中,奖励是游戏的胜负结果。
在棋类游戏中,让算法在自我对弈中进化是很一件很自然的事,让表现最好的学习算法与自己对抗,这就是AlphaGo的升级版本AlphaGo Zero。
AlphaGo Zero没有学习人类棋谱,它只是懂得围棋规则,在不断的对弈中获得提高,谷歌只用了21天,就让这个0基础的升级版打败了5-0战胜柯洁的AlphaGo Master版。
当AlphaGo进化到自学版本AlphaGo Zero后,它就更适合做图着色问题了,因为着色问题是没有所谓“人类棋谱”可以学习的。
在图着色问题种,研究人员让AlphaGo Zero与其他算法比赛,看谁用的颜色种类少,这就是算法的奖励机制。
原理
和AlphaGo一样,图着色算法也有策略网络(p-network)和价值网络(v-network),p是顶点涂某种颜色的概率,v是最终颜色数量少于之前最佳算法结果的概率。
而在围棋游戏中,p代表落子位置的概率,v代表最终获胜的概率。

为此,研究人员设计了一个快速着色网络(FastColorNet)。
对于这个网络,有如下要求:
1、可扩展性(Scalability):线性O(V)或线性对数O(E+VlogV)时间复杂度,保证它在更大的图形(比如1000万顶点)上也能使用。
2、完整图形上下文(Full Graph Context):不同的图有不同的着色策略,因此网络需要有图形结构的信息。
我们将该网络的损失定义为:
π代表当前行走步数,z代表当前使用的颜色数。

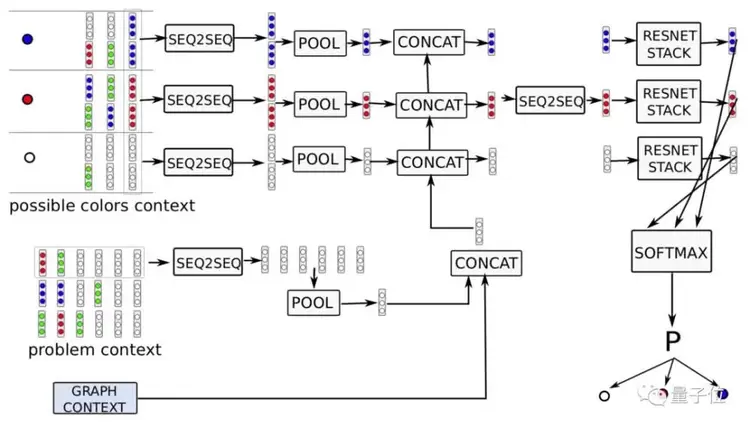
上图就是FastColorNet的架构。它的输入包含两个部分:问题上下文(problem context)和可能颜色上下文(possible color context)。
问题上下文(problem context)是根据刚刚着色的顶点,来安排接下来对哪些顶点进行着色。它在任务开始和结束的时候都是零。问题上下文中包含的顶点数是一个超参数,在实验中设置为8。
可能颜色上下文(possible color context)是以上顶点集合每种可能用到的颜色。它也是一个超参数,在实验中设置为4。
以上两个上下文都输入当策略网络和价值网络中。

策略网络使用全局图形上下文(global graph context),它负责计算将每个颜色选择分配给当前顶点的概率。
随着填充过程的进行,颜色数量会逐渐增加。为了支持颜色数量的变化,它会首先独立处理每种颜色,产生一个非标准化分数,然后通过seq2seq模型对该分数进行处理,该模型还会考虑与其他颜色的依赖性。最终通过softmax操作得出归一化的填充颜色概率。
策略网络利用了具有相同颜色的节点之间的局部关系,提高了准确性,同时还降低了大图计算的时间复杂度。

价值网络负责从输入数据预测着色问题最终的结果。 问题上下文(problem context)中的顶点与着色顺序存储在对应的序列中。使用seq2seq模型处理此序列,然后将这个序列与图形上下文(graph context)组合起来,并将它们馈送到完全连接的reLU层中,最终结果输入softmax,计算出胜利、失败或平局的概率。
结果
研究人员用FastColorNet的强化学习过程来训练图着色问题,图形大小从32个顶点到1000万个顶点不等。

上图显示了图所需颜色的数量如何随顶点数量的增长而增长。
在32K到16M个顶点的图上进行测试,FastColor在训练集中使用的颜色比以往的启发式搜索算法提高了5%-10%。 尽管在测试集有所逊色,但性能也比先前的算法高出1%-2%。
虽然提升比例看起来不高,但这种算法显示出解决此类问题的潜力。Twitter上一位网友这样评价:这篇文章以线性复杂度O(n)解决了一个NP完全问题。

相关文章
- 让国宝“在线重生”:百度百科3D复原圆明园十二生肖喷水铜兽,沉浸式呈现历史细节
- 2025年百度AI原生营销服务收入同比增长301%
- 百度商家智能体对话近450万次,数字人线索直播助力商家转化率涨三成
- 500万用户追捧!百度地图岳云鹏文心AI副驾对话破亿,春节互动数据亮眼
- 白龙马变身文心AI副驾?岳云鹏携手百度地图上天津春晚,送出2亿红包!
- MongoDB与百度智能云达成战略合作,打造全球领先的AI原生数据库生态
- 百度百科推出国际版BaiduWiki,正式迈入全球化知识服务阶段
- Omdia报告:百度智能云领跑中国具身智能AI云市场
- 《运输策略蓝图》发布 百度杨楠:香港是孵化自动驾驶业务的宝地
- 百度千帆启动开发者大使计划 携手行业先行者共建Agent繁荣生态
- 诺科达智驾亮相百度 Apollo 生态大会,荣获 2025 年度杰出应用奖
- 百度千帆深度研究Agent登顶权威评测榜单DeepResearch Bench
- 手机也能用OpenClaw了!百度智能云发布移动端接入方案
- 以“高效现场 AI”回应产业升级需求 DEEPX 在百度 Moment 2026 展示 Physical AI 产业化实践成果
- 百度YY启动“熊力·聚星计划”携手刘天池选拔短剧新星
- 百度地图刘增刚:百度地图致力于成为AI时代的入口与基建
人工智能企业
更多>>人工智能硬件
更多>>- 忆联UH812a以极致存力破局大模型载入瓶颈,释放算力潜能
- 讯飞翻译机登陆MWC 2026,同传级沟通体验,多语种交流无压力
- 普恩志引领:2026半导体与高端制造前瞻——核心备件如何驱动产业革新与市场机遇
- 超旗舰降噪,殿堂级音质 索尼双芯超旗舰真无线降噪耳机WF-1000XM6正式发售
- 当AI学会“隐身”,手机才真正智能:三星Galaxy S26系列开启AI哲学的降维打击
- 全球首秀!讯飞AI眼镜亮相MWC,多模态同传大模型与极致轻量化设计 引领智能穿戴新风向
- 全球瞩目!荣耀携Robot Phone、Magic V6系列、荣耀MagicBook Pro 14 2026震撼亮相MWC 2026
- MWC直击:荣耀双旗舰搭载第五代骁龙8至尊版,助力智能手机下一代技术演进
人工智能产业
更多>>人工智能技术
更多>>- 云知声Unisound U1-OCR大模型发布!首个工业级文档智能基础大模型,开启OCR 3.0时代
- 基石智算上线 MiniMax M2.5,超强编程与智能体工具调用能力
- 昇腾原生支持,科学多模态大模型Intern-S1-Pro正式发布并开源
- 百度千帆深度研究Agent登顶权威评测榜单DeepResearch Bench
- 在MoltBot/ClawdBot,火山方舟模型服务助力开发者畅享模型自由
- 教程 | OpenCode调用基石智算大模型,AI 编程效率翻倍
- 全国首个!上海上线规划资源AI大模型,商汤大装置让城市治理“更聪明”
- 昇思人工智能框架峰会 | 昇思MindSpore MoE模型性能优化方案,提升训练性能15%+









