中移芯昇科技通信基站BMS解决方案为储能系统高效赋能
2023-03-17 10:53:56AI云资讯1233
5G是新型基础设施建设的重要内容,在稳投资、促消费、培育新动能等方面潜力巨大。工信部数据显示,截至2022年底,我国累计建成开通的5G基站数量达231万个。随着5G基站的爆发性建设,对通信用磷酸铁锂储能电池需求也将大幅增长,同时极大推动了BMS(电池管理系统)的需求。
BMS(电池管理系统)是电池储能系统的核心子系统之一,负责监控电池储能单元内各电池运行状态,保障储能单元安全可靠运行。高效的BMS解决方案对于推动储能系统的高质量发展具有重要积极意义。

芯昇科技有限公司是中国移动旗下专业芯片公司。在集团公司战略指导下,针对通信基站应用场景的磷酸铁锂电池BMS需求,中移芯昇科技参照《中国移动通信用磷酸铁锂电池产品技术规范书》,基于自研RISC-V内核大容量低功耗MCU芯片CM32M433R与主流AFE芯片进行BMS解决方案开发,目前已完成多家电池厂家测试,并实现商用。

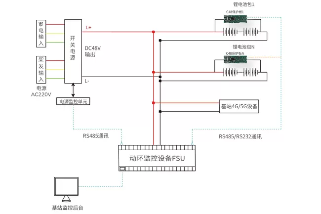
中移芯昇科技通信基站BMS解决方案特点鲜明,最多可管理16串锂电池;支持单体电压、温度等信息的采集、判断及告警;具有电池采样线反接、漏接、短路,模块过温及内部故障保护;具有电池回路过压、过流、过充、过放、过温、反接、短路等保护;具有电池回路充电和放电控制,承载电流能力100A;具有限流功能20A;具有分流器采集功能,采集范围±100A,精度2%;采用被动均衡技术,可对电池组内每个单体电池进行放电均衡,最大均衡电流50mA;具备485/232通信,支持MODBUS/RTU协议,支持多个模块级联通信;支持多种休眠与唤醒;内置 SOC/SOH高级算法模型;有效追踪电池真实状态;支持系统运行数据的本地存储;具备本地数据分析能力、本地声光告警功能;只能应用于充、放电同口的接线模式。
CM32M433R系列芯片采用 32 bit RISC-V N308内核,最高工作主频144MHz,支持浮点运算和DSP指令,集成多达512KB Flash、144KB SRAM、4x12bit 5Msps ADC、4xOPAMP、7xCOMP、2x1Msps 12bitDAC,支持多达24通道电容式触摸按键,集成多路U(S)ART、I2C、SPI、QSPI、CAN通信接口,内置密码算法硬件加速引擎2.0B,支持多种国际及国密算法硬件加速。

后续,中移芯昇科技将持续提升BMS技术性能,丰富更多MCU芯片应用场景,为合作伙伴提供科技助力。
相关文章
人工智能企业
更多>>人工智能硬件
更多>>人工智能产业
更多>>人工智能技术
更多>>- 发布即适配| 天数智芯全力支持腾讯混元Hy3 preview 开源落地,共推国内大模型产业普惠
- Seedance 2.0面向企业公测,豆包大模型日均Token使用量突破120万亿
- 端到端OCR模型第一!百度千帆Qianfan-OCR正式发布
- 云知声Unisound U1-OCR大模型发布!首个工业级文档智能基础大模型,开启OCR 3.0时代
- 基石智算上线 MiniMax M2.5,超强编程与智能体工具调用能力
- 昇腾原生支持,科学多模态大模型Intern-S1-Pro正式发布并开源
- 百度千帆深度研究Agent登顶权威评测榜单DeepResearch Bench
- 在MoltBot/ClawdBot,火山方舟模型服务助力开发者畅享模型自由









