新专利显示未来iPhone可以通过自动光学分析来拍摄更好的水下照片
2020-09-23 11:00:50AI云资讯1232
未来的iPhone或许可以在水下拍摄更清晰的照片,苹果正在研究如何在检测到相机传感器被淹没时处理和调整图像。虽然水下摄影很有趣,想象力丰富的镜头可以展现出平时看不到的东西,但摄影师要想拍出完美的照片,需要付出很多努力。简单地把相机放在水下,在一些水质极度清澈的地方可以发挥作用,但不是每个水体都能提供理想的条件。
防水硬件的出现,让相机设备更能够在水下不受损伤,不过即使是业余摄影师,也可以在一些离水面较近的情况下,使用防水的获得不错的画面。即使有了完硬件,这样的摄影还是会出现明显的问题,比如因为水面浑浊而导致可用光线不足,远距离能见度降低等。甚至还有色差的问题,与水面上的摄影相比,水面拍摄可能会有绿色的色调。
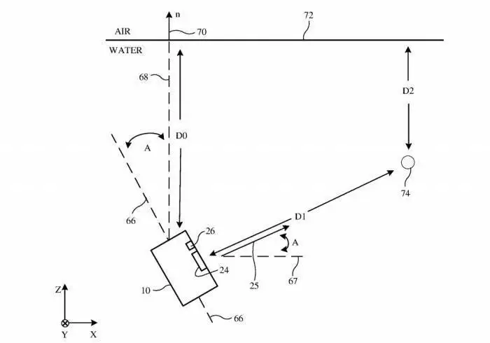
在美国专利和商标局周二授予的一项名为 "具有成像功能的潜水电子设备 "的专利中,苹果通过对几个因素的分析,提出了解决这一问题的潜在方案。在自动检测出一张照片是否在水下拍摄后,建议设备可以做出一些改变,以提高图像成为好照片的几率。检测可以包括收集一些它可以用于处理的数据点,例如通过彩色环境光传感器收集环境光的数量,用于测量水线上方和下方的环境光光谱,以确定被水吸收的光量。
设备从水面深度数据、与被测物的距离、水压和方位可以与环境光感应和检测反向散射光相结合,以表征理论上水的浑浊程度。一旦确定,设备就可以采用多种策略来克服在该特定情况下抛出的各种挑战。例如,如果环境光不够,设备可能希望在主体上引入更多的照明。其他拍摄后的编辑可以包括改变图像的色调,以减轻水面吸收或反射的光线,以及人工给水着色,使其更理想的蓝色而不是浑浊,并普遍增强对比度和其他图像属性,以使假设的主体更容易看到。
该专利还涵盖了应用流程的改变,比如去掉 "你确定吗?"的对话框,以减轻用户的 "认知负担",以及降低处理器需求和电池寿命。它还包括设备可能会考虑到输入命令能力的降低,比如在水下尝试使用触摸屏时,触摸屏的效果会严重降低。当然,苹果也在努力提高设备的防水性能,它已经在其他专利中进行了探索,用触点和磁力连接并对齐的电缆取代了Lightning端口。



相关文章
- iPhone 18 Pro的C2 5G基带将支持新空口非地面网络,可直连卫星
- 三星显示拟扩大对苹果可折叠OLED产能的投资,为iPhone Flip推出做准备
- 苹果iPhone 17e或将2月19日发布,搭载M5 Pro与M5 Max芯片的MacBook Pro预计3月初亮相
- 鉴于散热性能问题,苹果iPhone芯片采用英特尔先进制程可能性几乎为零
- 苹果计划研发采用翻盖设计的iPhone Flip,拓展折叠屏手机产品线
- 苹果2026财年第一季度总营收1438亿美元,其中iPhone营收达853亿美元
- 苹果计划与SpaceX合作,为iPhone 18 Pro系列添加星链直连卫星功能
- 苹果与DRAM供应商的长期协议到期,iPhone 18系列产品或将涨价
- 苹果iPhone Air在中国销量仅20万台,而iPhone 17系列已达1700万台
- 苹果聊天机器人版Siri计划今年9月在iPhone、iPad和Mac上推出
- 据报道苹果iPhone Air 2将于2026年秋季上市,升级幅度有限
- iPhone 18 Pro/Pro Max或将搭载采用屏下红外技术的先进LTPO+显示屏
- iPhone 18 Pro/Pro Max机型或将引入5G卫星通信功能
- 苹果折叠屏iPhone或将采用液态金属铰链与钛金属机身,以优化重量分布
- 三星在2026年CES上展示无折痕OLED技术:采用屏下摄像头或将率先应用于折叠屏iPhone
- 苹果iPhone 17系列高端机型所搭载的12GB LPDDR5X内存芯片被迫加价230%
人工智能企业
更多>>人工智能硬件
更多>>人工智能产业
更多>>人工智能技术
更多>>- 云知声Unisound U1-OCR大模型发布!首个工业级文档智能基础大模型,开启OCR 3.0时代
- 基石智算上线 MiniMax M2.5,超强编程与智能体工具调用能力
- 昇腾原生支持,科学多模态大模型Intern-S1-Pro正式发布并开源
- 百度千帆深度研究Agent登顶权威评测榜单DeepResearch Bench
- 在MoltBot/ClawdBot,火山方舟模型服务助力开发者畅享模型自由
- 教程 | OpenCode调用基石智算大模型,AI 编程效率翻倍
- 全国首个!上海上线规划资源AI大模型,商汤大装置让城市治理“更聪明”
- 昇思人工智能框架峰会 | 昇思MindSpore MoE模型性能优化方案,提升训练性能15%+









