MPS推出车规级三相栅极驱动器IC新产品
2025-08-11 14:37:56AI云资讯2525
汽车12V系统到汽车48V系统全适用
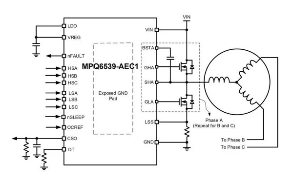
MPS芯源系统(NASDAQ代码:MPWR)近日发布的新产品MPQ6539-AEC1,是一款专为三相无刷直流(BLDC)电机驱动器而设计的栅极驱动器IC,其输入电压高达80V,可驱动由六个N沟道功率MOSFET组成的三个半桥的车规级栅极驱动器。MPQ6539-AEC1适用于汽车泵、电动升降尾门、电动天窗、电动座椅调节等汽车车身电机控制应用。

MPQ6539-AEC1典型应用图
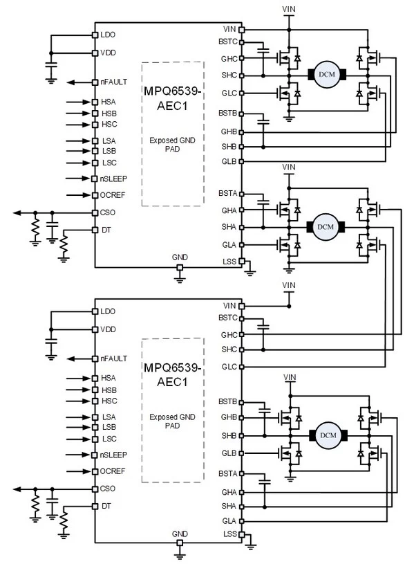
此外,MPQ6539-AEC1可驱动由四个N沟道功率MOSFET组成的一个H桥的车规级栅极驱动器。将两颗MPQ6539-AEC1级联,可驱动由十二个N沟道功率MOSFET组成的三个H桥的车规级栅极驱动器,满足三个直流有刷电机(BDC)的驱动需求。

两个MPQ6539-AEC1级联驱动三个BDC典型应用图
MPQ6539-AEC1产品核心优势
MPQ6539-AEC1支持8V至80V宽输入电压范围,全面兼容12V、24V、48V汽车电气架构,适配不断演进的新能源汽车供电系统。
MPQ6539-AEC1可通过串联外部电阻参数调整死区时间(DT)以及外部MOSFET的过流保护阈值,使汽车电机应用设计更灵活,可靠性更高。
MPQ6539-AEC1内置电流检测放大器,集成电荷泵支持100%占空比,并且采用QFN (4mm x 5mm)小封装设计,可极大程度节省PCB面积和外部元器件,从而节省BOM成本。

MPQ6539-AEC1封装参考图
针对汽车无刷直流电机(BLDC)栅极驱动器应用,MPS能够提供多款解决方案以满足不同的规格需求,助力实现从汽车12V系统供电电池到汽车48V系统过渡。

MPS车规级栅极驱动器系列产品
MPQ6539-AEC1产品主要特性
• 8V至80V宽输入电压范围
• 支持最大100V自举(BST)电压
• 0.8A/1A拉电流/灌电流(驱动电流)
• 内部集成LDO可驱动外部NPN三极管,以满足大电流驱动应用
• 低功耗睡眠模式电流低至10uA
• 集成电流检测放大器
• 支持每路半桥上下管单独控制的输入逻辑接口
• 具备完善的保护功能,例如可调的死区时间控制、可配置的过流保护、过温保护、欠压锁定和故障上报等
• 采用紧凑型QFN-28(4mmx5mm)封装,带可润湿侧翼
• 符合AEC-Q100车规级认证
MPQ6539-AEC1产品购买与技术支持
MPQ6539-AEC1及其评估板EVQ6539-V-00A均可在MPS官网直接购买。咨询更多产品详情,获取丰富的技术资源支持。
评估板EVQ6539-V-00A
相关文章
- 芯驰携手IAR赋能臻驱科技,推动国产车规级MCU在新能源汽车动力系统落地
- MPS推出车规级三相栅极驱动器IC新产品
- 国内首证!驰芯半导体CX500车规级UWB SoC芯片通过FiRa Core 3.0认证
- 深度解读!格力车规级芯片斩获三项国际认证,凭啥这么牛?
- 文远知行携手联想,全球首发搭载NVIDIA DRIVE Thor芯片的100%车规级HPC 3.0计算平台
- 芯驰科技与国创中心持续深化合作,共建北京经开区车规级芯片产业生态
- 深度协同主机厂 海康存储车规级存储生态赋能智驾进化
- 突破“够用”边界,华昱欣以“车规级安全”刷新 Intersolar 2025新高度
- 芯原推出业界领先的车规级智慧驾驶SoC设计平台
- 江湖“黑马”华昱欣:以“车规级安全”破局储能价值困境
- 问界M9大定突破20万台,车规级投影巨幕开豪华驾乘新体验
- 车规级UFS 4.0将变得愈发重要
- 海康存储车规级eMMC获汽车电子核心体系双认证
- 中信科智联发布新一代车规级C-V2X硬件产品DMD5x系列模组
- 长广溪智造车规级高速协作机器人,撬动汽车行业万亿市场!
- 航顺车规级SoC全新亮相,助推汽车智能化发展
人工智能企业
更多>>人工智能硬件
更多>>人工智能产业
更多>>人工智能技术
更多>>- 发布即适配| 天数智芯全力支持腾讯混元Hy3 preview 开源落地,共推国内大模型产业普惠
- Seedance 2.0面向企业公测,豆包大模型日均Token使用量突破120万亿
- 端到端OCR模型第一!百度千帆Qianfan-OCR正式发布
- 云知声Unisound U1-OCR大模型发布!首个工业级文档智能基础大模型,开启OCR 3.0时代
- 基石智算上线 MiniMax M2.5,超强编程与智能体工具调用能力
- 昇腾原生支持,科学多模态大模型Intern-S1-Pro正式发布并开源
- 百度千帆深度研究Agent登顶权威评测榜单DeepResearch Bench
- 在MoltBot/ClawdBot,火山方舟模型服务助力开发者畅享模型自由









